Generatory tlenu CryoGOX - opłacalne rozwiązanie

CryoGOX

Generatory tlenu CryoGOX - opłacalne rozwiązanie

Co to jest CryoGOX?

Zakres wydajności
od 1 000 Nm3/h do ≥ 15 000 Nm3/h
Tlen (czystość: 90,0 do 99,8%)

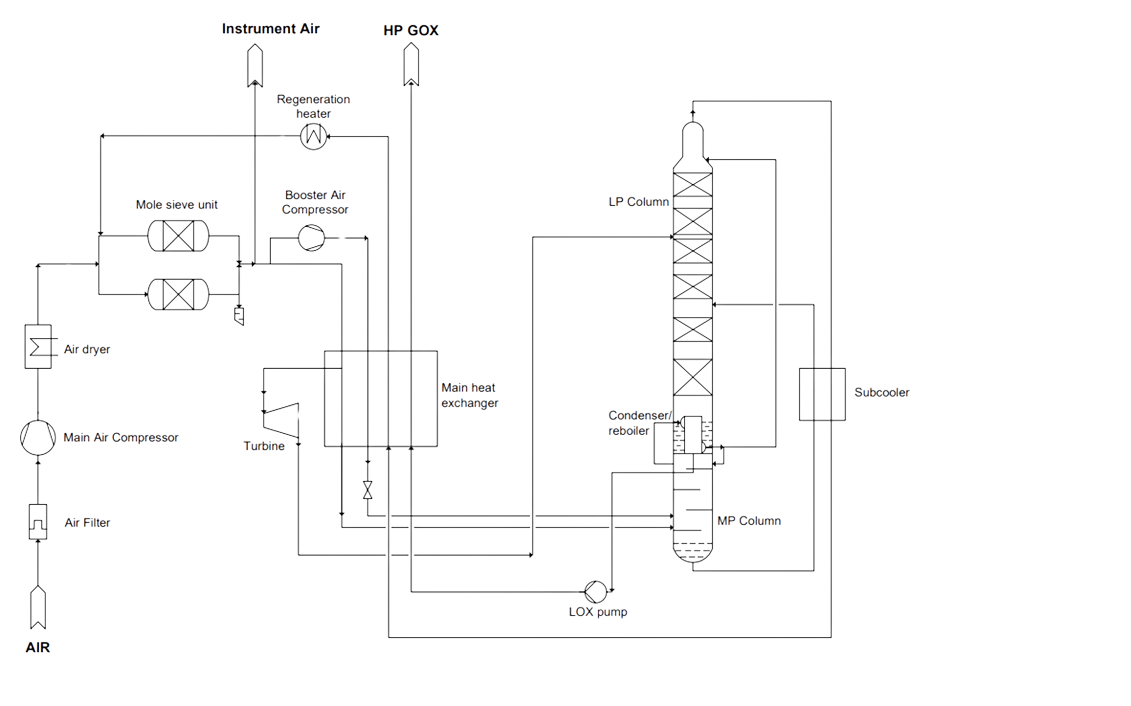
Aby zaspokoić zapotrzebowanie na większe ilości tlenu przy optymalnych kosztach, Messer opracował generator CryoGOX, który działa na zasadzie kriogenicznej separacji powietrza, aczkolwiek z wewnętrzną kompresją produktu: ciekły tlen jest pobierany z kolumny niskociśnieniowej i pompowany przez wymienniki ciepła pod ciśnieniem w celu schłodzenia wchodzących gazów powietrznych. Uzyskany w ten sposób strumień gazowego tlenu jest dostępny dla klientów pod ciśnieniem do 20 barów.

Główne zalety koncepcji generatora CryoGOX

  • brak konieczności stosowania drogiej sprężarki tlenu 
  • wysoka czystość tlenu (99,8%)
  • możliwość ekonomicznej produkcji ciekłego azotu na potrzeby magazynowania

Układ instalacji został zaprojektowany zgodnie z najnowszymi międzynarodowymi zasadami i przepisami i opiera się na filozofii bezpieczeństwa i niezawodności Messer, która jest stosowana od ponad 20 lat w zakładach separacji powietrza dla klientów na całym świecie. Instalacja została zaprojektowana do automatycznego sterowania i automatycznego działania w normalnych warunkach pracy. Wszystkie zawory, które muszą być regulowane podczas pracy, mogą być obsługiwane zdalnie.

Generator tlenu CryoGOX przeznaczony do produkcji tlenu w postaci ciekłej lub gazowej z powietrza atmosferycznego. Urządzenie jest szczególnie korzystne dla zakładów, które zużywają duże ilości tlenu gazowego.

Główne cechy generatora tlenu CryoGOX

Wydajność: od 1.000 do ≥15.000 Nm3/h tlenu
Czystość: 90 do 98%
Ciśnienie zasilania: 0,8-10 bar(g)
Zakres pracy: 100-60%
Energia właściwa: 0,40-0,55 kWh/Nm3
Dostępność > 99,8%   
Redukcja emisji CO2
Konfiguracja dla CAPEX i/lub OPEX
Zaprojektowany do pracy w trybie 24x7
Bezpieczny, niezawodny, prosty w obsłudze, łatwy w utrzymaniu
Instalacja typu plug-and-play
Krótki czas budowy
Niezawodne zasilanie rezerwowe

Niezawodne dostawy ze źródła zapasowego - na wszelki wypadek - są wisienką na torcie każdej koncepcji zakładowej, pozwalając klientowi spać spokojnie pod względem dostaw gazu, nawet w przypadku przestojów konserwacyjnych, przerw w dostawie prądu lub innych nieprzewidzianych zdarzeń. Nasza regionalna sieć logistyczna z centralnie zarządzaną ogólnoeuropejską koordynacją, w połączeniu z zaawansowanym planowaniem produkcji, zapewnia, że każdy klient otrzymuje niezawodne dostawy gazów technicznych od Messer, nawet podczas planowanych i nieplanowanych przestojów.

Opcjonalne produkty uboczne dla generatora tlenu

  • Ciekły tlen
  • Sprężone suche powietrze
  • Gazowy azot
  • Ciekły agron

Zastosowania CryoGOX

Generator tlenu CryoGOX wytwarza tlen o czystości od 93 do 98% (dostępność < 99,8%), co pozwala na jego wykorzystanie w produkcji szkła i metali, rybołówstwie, cięciu laserowym, oczyszczaniu wody i innych gałęziach przemysłu, w tym w produkcji baterii litowo-jonowych.

W oparciu o wymagania, życzenia klienta i uzgodnione warunki, generator tlenu CryoGOX z systemem zapasowym zostanie zainstalowany w siedzibie klienta. System pozwala zagwarantować ciągłość dostaw gazu o wymaganej objętości i ciśnieniu do produkcji klienta.

Schemat generatora tlenu CryoGOX

Teaser CryoGOX